Обработка заказа в течение дня
Возможен выезд специалиста на производство
Техническая консультация и квалифицированная помощь в подборе оборудования
Предоставление технической документации
- Прочная конструкция в металлическом корпусе
- Полый вал, максимальный диаметр 20 мм.
- Счетчик с 5 десятилетиями и прекрасным чтением
- Дисплей может быть разработан для отображения информации в миллиметрах или дюймах.
- Ослабленная система подсчета
- Точная настройка для коррекции размеров.
- Обратимое направление счета
Обработка заказа в течение дня
Возможен выезд специалиста на производство
Техническая консультация и квалифицированная помощь в подборе оборудования
Предоставление технической документации
- Прочная конструкция в металлическом корпусе
- Полый вал, максимальный диаметр 20 мм.
- Счетчик с 5 десятилетиями и прекрасным чтением
- Дисплей может быть разработан для отображения информации в миллиметрах или дюймах.
- Ослабленная система подсчета
- Точная настройка для коррекции размеров.
- Обратимое направление счета
Основные характеристики
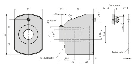
Технический чертеж
Технические данные
| Характеристика | Технические данные |
|---|---|
| Счетчик | 5 десятилетий с точным отсчетом |
| Высота цифры | ~7 мм |
| Масса | 0,5 кг |
| Корпус | цинковое литье под давлением |
| Характеристика | Технические данные |
|---|---|
| Температура окружающей среды | 0 … 80 °C |
Максимальная скорость
| Отображение (после первого оборота) | макс. скорость [об/мин] |
|---|---|
| 00010 | 500 (1500) |
| 00015 | 500 (1000) |
| 00020 | 500 (750) |
| 00025 | 500 (600) |
| 00030 | 500 |
| 00040 | 375 |
| 00050 | 300 |
| 00060 | 250 |
| 00080 | 180 |
| 00100 | 150 |
Формула:
макс. скорость = 15000 / (отображение после первого оборота)
макс. скорость = 15000 / (отображение после первого оборота)
Примечание: Скорость вращения свыше 500 об/мин следует поддерживать только в течение коротких промежутков времени.
Информация для заказа
Пример создания артикула:
| Характеристика | Выберите спецификацию | Доступные варианты | Дополнительная информация |
|---|---|---|---|
| Монтажное положение | 02 |
02 04 |
|
| Отображение после первого оборота | 10 |
10 15 20 25 30 40 50 60 80 100 0 |
другие по запросу |
| Десятичное место | 0 |
0 = 00000 1 = 0000.0 2 = 000.00 3 = 00.000 4 = 0.0000 |
|
| Направление счета | i |
i = возрастающие значения по часовой стрелке e = возрастающие значения против часовой стрелки e/i = может быть изменено заказчиком |
e/i - путем открытия корпуса, см. инструкцию по монтажу |
| Полый вал / диаметр | 20 |
20 в мм RH8 RH10 RH12 RH14 RH16 RH18 |
RH8 RH10 RH12 RH14 RH16 RH18 - редукционные втулки |
| Цвет | O |
O = оранжевый RAL 2004 S = черный RAL 9005 |
|
| Тонкая настройка | FE |
FE = с тонкой настройкой OFE = без тонкой настройки |
|
| Предохранительная муфта | RK |
RK = с предохранительной муфтой ORK = без предохранительной муфты |
только с тонкой настройкой "FE" только с тонкой настройкой "OFE" |
| Лабиринтное уплотнение | OLD |
OLD = без лабиринтного уплотнения LD = с лабиринтным уплотнением |
| Ваш ключ заказа | DA05/1-02-10-0-i-20-O-FE-RK-A-OLD |

9:00-17:40 (пн-пт – без обеда, сб-вс – выходной)